单排交叉滚柱式内齿回转支承
交叉滚柱内齿型回转支承
联系我们
产品描述

 

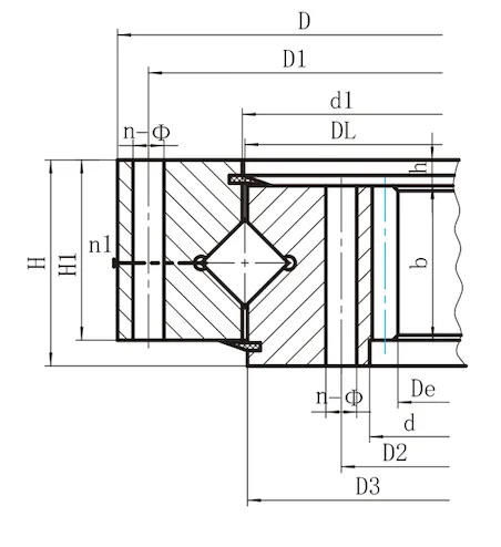
单排交叉滚柱式内齿型回转支承结构参数

结构特点、性能、适用范围

度高,装配间隙小,单排交叉滚柱式回转支承,由两座圈组成,结构紧凑、重量轻、制造精径向力,被广泛地对安装精度要求高,滚柱为1:1交叉排列,能同时承受轴向力、倾翻力矩和较大的用于起重运输,工程机械和军工产品上

1n1为润滑油孔数。油杯M10x1JB/T7940.1~JB/T7940.2。根据应用情况用户可指定油孔位置2n- φ可改为螺纹孔,螺纹直径 M ,螺纹深度 2M3、表内齿轮圆周力为最大圆周力,额定圆周力取其1/2

2、“k”为削顶系数。

3、本样本中的规格为标准产品,内外径均为自由公差。若主机与回转支承有配合要求,请在合同或合同附件(如技术协议)中注明配合尺寸和精度。

4、表中所列为我公司常规产品,若有其他特殊要求,请与我公司联系