主页
产品
关于
案例
新闻
联系我们
简体中文
简体中文
English
Korean
Arabic
Russian
1、单排四点接触球式回转支承
01系列
HS系列
2、交叉滚柱式回转支承
11系列
HJ系列
3、双排球式回转支承
4、双列球式回转支承
5、三排滚柱式回转支承
6、轻薄型系列回转支承(特别定制)
7、挖掘机回转支承系列
8、新能源支承系列
9、配套齿轮、齿圈
10、法兰
11、法兰板(盖)
12、环形锻件
查看更多
单排四点接触球式回转支承
单排四点接触球式回转支承
单排四点接触球式回转支承
HS系列回转支承
HS系列回转支承
HS系列回转支承
交叉滚柱式回转支承
交叉滚柱式回转支承
交叉滚柱式回转支承
HJ系列滚柱系列
HJ系列滚柱系列
HJ系列滚柱系列
双排球式回转支承
双排球式回转支承
双排球式回转支承
双列球式回转支承
双列球式回转支承
双列球式回转支承
三排滚柱式回转支承
三排滚柱式回转支承
三排滚柱式回转支承
轻薄型系列回转支承
轻薄型系列回转支承
轻薄型设备支承
CAT挖掘机回转支承
PC挖掘机回转支承
挖掘机系列回转支承
风力发电机回转支承
太阳能系列支承驱动
海洋设备配套轴承支承
回转支承齿轮
支承配套齿圈
设备齿圈
大齿圈
定制齿圈
大法兰
法兰
平口法兰
平面法兰板盖
小型法兰板盖
法兰板(盖)
法兰毛坯锻件
支承毛坯锻件
环形锻件
环形锻件
异形锻件
快速链接
Menu
主页
产品
关于
案例
新闻
联系我们
您要寻找什么?
快速链接
语言
简体中文
English
Korean
Arabic
Russian
交叉滚柱式回转支承
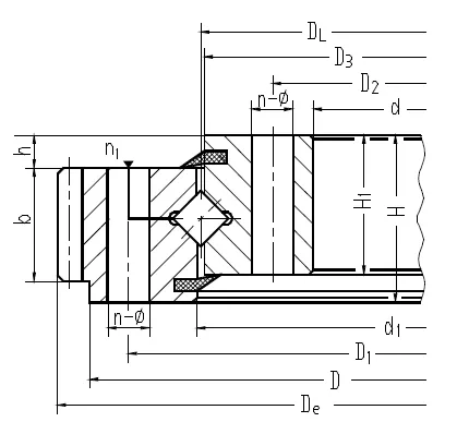
单排交叉滚柱式回转支承,由两个座圈组成,结构紧凑,重量轻,装配间隙小,对安装精度要求高,滚柱为1:1交叉排列,能同时承受轴向力,倾翻力矩和较大的径向力,被广泛的用于起重运输,工程机械和军工产品上。
联系我们
产品描述
单排交叉滚柱式回转支承
(11系列)
注
1
、
n1
为润滑油孔数。油杯
M10x1JB/T7940.1~JB/T7940.
2
、
根据应用情况用户可指定油孔位置、
n-
φ可改为螺纹孔,螺纹直径
M
,螺纹深度
2M
3
、表内齿轮圆周力为最大圆周力,额定圆周力取其
1/2
。
4
、
“
k
”为削顶系数。
5
、本样本中的规格为标准产品
,
内外径均为自由公差。若主机与回转支承有配合要求,请在合同或合同附件
(
如技术协议
)
中注明配合尺寸和精度。
6、表中所列为我公司常规产品,若有其他特殊要求,请与我公司联系
No.
Model
Overall dimensions
Installation Dimensions
Structure Size
Gear Parameters
Peripheral force of gear
Reference weight
De
D
d
H
D
1
D
2
n
φ
M
n
1
D
3
d
1
H
1
h
b
m
z
x
k
Normalizing
Tempering
Kg
mm
mm
mm
mm
mm
mm
mm
mm
mm
mm
mm
mm
mm
mm
KN
KN
1
111.25.500.001
629
602
398
75
566
434
20
18
16
4
498
502
65
10
60
5
123
0.5
0.1
37
52
84
112.25.500.001
628.8
6
102
45
62
84
2
111.25.560.001
689
662
458
75
626
494
20
18
16
4
558
562
65
10
60
5
135
0.5
0.1
37
52
92
112.25.560.001
688.8
6
112
45
62
92
3
111.25.630.001
772.8
732
528
75
696
564
24
18
16
4
628
632
65
10
60
6
126
0.5
0.1
45
62
111
112.25.630.001
774.4
8
94
60
83
111
4
111.25.710.001
850.8
812
608
75
776
644
24
18
16
4
708
712
65
10
60
6
139
0.5
0.1
45
62
125
112.25.710.001
854.4
8
104
60
83
125
5
111.28.800.001
966.4
922
678
82
878
722
30
22
20
6
798
802
72
10
65
8
118
0.5
0.1
65
91
179
112.28.800.001
968
10
94
81
114
179
6
111.28.900.001
1062.4
1022
778
82
978
822
30
22
20
6
898
902
72
10
65
8
130
0.5
0.1
65
91
200
112.28.900.001
1068
10
104
81
114
200
7
111.28.1000.001
1188
1122
878
82
1078
922
36
22
20
6
998
1002
72
10
65
10
116
0.5
0.1
81
114
242
112.28.1000.001
1185.6
12
96
97
136
242
8
111.28.1120.001
1298
1242
998
82
1198
1042
36
22
20
6
1118
1122
72
10
65
10
127
0.5
0.1
81
114
261
112.28.1120.001
1305.6
12
106
97
136
261
9
111.32.1250.001
1449.6
1390
1110
91
1337
1163
40
26
24
5
1248
1252
81
10
75
12
118
0.5
0.1
113
157
362
112.32.1250.001
1453.2
14
101
132
182
362
10
111.32.1400.001
1605.6
1540
1260
91
1487
1313
40
26
24
5
1398
1402
81
10
75
12
131
0.5
0.1
113
157
417
112.32.1400.001
1607.2
14
112
132
182
411
11
111.32.1600.001
1817.2
1740
1460
91
1687
1513
45
26
24
5
1598
1602
81
10
75
14
127
0.5
0.1
132
182
488
112.32.1600.001
1820.8
16
111
151
224
484
12
111.32.1800.001
2013.2
1940
1660
91
1887
1713
45
26
24
5
1798
1802
81
10
75
14
141
0.5
0.1
132
182
530
111.32.1800.001
2012.8
16
123
151
224
530
13
111.40.2000.001
2268.8
2178
1825
112
2110
1891
48
33
30
8
1997
2003
100
12
90
16
139
0.5
0.1
181
250
935
112.40.2000.001
2264.4
18
123
203
281
935
14
111.40.2240.001
2492.8
2418
2065
112
2350
2131
48
33
30
8
2237
2243
100
12
90
16
153
0.5
0.1
181
250
1008
112.40.2240.001
2498.4
18
136
203
281
1008
15
111.40.2500.001
2768.4
2678
2325
112
2610
2391
56
33
30
8
2497
2503
100
12
90
18
151
0.5
0.1
203
281
1147
112.40.2500.001
2776
20
136
226
313
1147