交叉滚柱式回转支承
单排交叉滚柱式回转支承,由两个座圈组成,结构紧凑,重量轻,装配间隙小,对安装精度要求高,滚柱为1:1交叉排列,能同时承受轴向力,倾翻力矩和较大的径向力,被广泛的用于起重运输,工程机械和军工产品上。
联系我们
产品描述
单排交叉滚柱式回转支承(11系列)

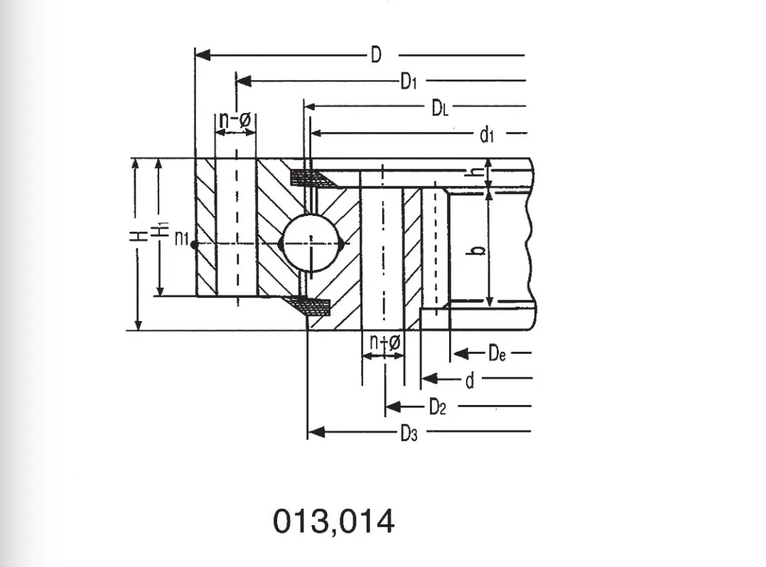
注
1、n1为润滑油孔数。油杯M10x1JB/T7940.1~JB/T7940.
2、根据应用情况用户可指定油孔位置,n- φ可改为螺纹孔,螺纹直径 M ,螺纹深度 2M
3、表内齿轮圆周力为最大圆周力,额定圆周力取其1/2。
4、“k”为削顶系数。
5、本样本中的规格为标准产品,内外径均为自由公差。若主机与回转支承有配合要求,请在合同或合同附件(如技术协议)中注明配合尺寸和精度。
6、表中所列为我公司常规产品,若有其他特殊要求,请与我公司联系
| No. | Model | Overall dimensions | Installation Dimensions | Structure Size | Gear Parameters | Peripheral force of gear | Reference weight | ||||||||||||||||
| De | D | d | H | D1 | D2 | n | Φ | M | n1 | D3 | d1 | H₁ | h | b | m | z | x | k | Normalizing | Tempering | Kg | ||
| mm | mm | mm | mm | mm | mm | mm | mm | mm | mm | mm | mm | mm | mm | KN | KN | ||||||||
| 1 | 113.25.500.001 | 367 | 602 | 398 | 75 | 566 | 434 | 20 | 18 | 16 | 4 | 498 | 502 | 65 | 10 | 60 | 5 | 74 | 0.5 | 0.2 | 37 | 52 | 85 |
| 114.25.500.001 | 368.4 | 6 | 62 | 45 | 62 | 85 | |||||||||||||||||
| 2 | 113.25.560.001 | 427 | 662 | 458 | 75 | 626 | 494 | 20 | 18 | 16 | 4 | 558 | 562 | 65 | 10 | 60 | 5 | 86 | 0.5 | 0.2 | 37 | 52 | 96 |
| 114.25.560.001 | 428.4 | 6 | 72 | 45 | 62 | 96 | |||||||||||||||||
| 3 | 113.25.630.001 | 494.4 | 732 | 528 | 75 | 696 | 564 | 24 | 18 | 16 | 4 | 628 | 632 | 65 | 10 | 60 | 6 | 83 | 0.5 | 0.2 | 45 | 62 | 110 |
| 114.25.630.001 | 491.2 | 8 | 62 | 60 | 83 | 110 | |||||||||||||||||
| 4 | 113.25.710.001 | 572.4 | 812 | 608 | 75 | 776 | 644 | 24 | 18 | 16 | 4 | 708 | 712 | 65 | 10 | 60 | 6 | 96 | 0.5 | 0.2 | 45 | 62 | 126 |
| 114.25.710.001 | 571.2 | 8 | 72 | 60 | 83 | 122 | |||||||||||||||||
| 5 | 113.28.800.001 | 635.2 | 922 | 678 | 82 | 878 | 722 | 30 | 22 | 20 | 6 | 798 | 802 | 72 | 10 | 65 | 8 | 80 | 0.5 | 0.2 | 65 | 91 | 186 |
| 114.28.800.001 | 634 | 10 | 64 | 81 | 114 | 186 | |||||||||||||||||
| 6 | 113.28.900.001 | 739.2 | 1022 | 778 | 82 | 978 | 822 | 30 | 22 | 20 | 6 | 898 | 902 | 72 | 10 | 65 | 8 | 93 | 0.5 | 0.2 | 65 | 91 | 208 |
| 114.28.900.001 | 734 | 10 | 74 | 81 | 114 | 208 | |||||||||||||||||
| 7 | 113.28.1000.001 | 824 | 1122 | 878 | 82 | 1078 | 922 | 36 | 22 | 20 | 6 | 998 | 1002 | 72 | 10 | 65 | 10 | 83 | 0.5 | 0.2 | 81 | 114 | 220 |
| 114.28.1000.001 | 820.8 | 12 | 69 | 97 | 136 | 220 | |||||||||||||||||
| 8 | 113.28.1120.001 | 944 | 1242 | 998 | 82 | 1198 | 1042 | 36 | 22 | 20 | 6 | 1118 | 1122 | 72 | 10 | 65 | 10 | 95 | 0.5 | 0.2 | 81 | 114 | 273 |
| 114.28.1120.001 | 940.8 | 12 | 79 | 97 | 136 | 273 | |||||||||||||||||
| 9 | 113.32.1250.001 | 1048.8 | 1390 | 1110 | 91 | 1337 | 1163 | 40 | 26 | 24 | 5 | 1248 | 1252 | 81 | 10 | 75 | 12 | 88 | 0.5 | 0.2 | 113 | 157 | 386 |
| 114.32.1250.001 | 1041.6 | 14 | 75 | 132 | 182 | 390 | |||||||||||||||||
| 10 | 113.32.1400.001 | 1192.8 | 1540 | 1260 | 91 | 1487 | 1313 | 40 | 26 | 24 | 5 | 1398 | 1402 | 81 | 10 | 75 | 12 | 100 | 0.5 | 0.2 | 113 | 157 | 441 |
| 114.32.1400.001 | 1195.6 | 14 | 86 | 132 | 182 | 441 | |||||||||||||||||
| 11 | 113.32.1600.001 | 1391.6 | 1740 | 1460 | 91 | 1687 | 1513 | 45 | 26 | 24 | 5 | 1598 | 1602 | 81 | 10 | 75 | 14 | 100 | 0.5 | 0.2 | 132 | 182 | 502 |
| 114.32.1600.001 | 1382.4 | 16 | 87 | 151 | 224 | 517 | |||||||||||||||||
| 12 | 113.32.1800.001 | 1573.6 | 1940 | 1660 | 91 | 1887 | 1713 | 45 | 26 | 24 | 5 | 1798 | 1802 | 81 | 10 | 75 | 14 | 113 | 0.5 | 0.2 | 132 | 182 | 605 |
| 114.32.1800.001 | 1574.4 | 16 | 99 | 151 | 224 | 605 | |||||||||||||||||
| 13 | 113.40.2000.001 | 1734.4 | 2178 | 1825 | 112 | 2110 | 1891 | 48 | 33 | 30 | 8 | 1997 | 2003 | 100 | 12 | 90 | 16 | 109 | 0.5 | 0.2 | 181 | 250 | 977 |
| 114.40.2000.001 | 1735.2 | 18 | 97 | 203 | 281 | 977 | |||||||||||||||||
| 14 | 113.40.2240.001 | 1990.4 | 2418 | 2065 | 112 | 2350 | 2131 | 48 | 33 | 30 | 8 | 2237 | 2243 | 100 | 12 | 90 | 16 | 125 | 0.5 | 0.2 | 181 | 250 | 1072 |
| 114.40.2240.001 | 1987.2 | 18 | 111 | 203 | 281 | 1072 | |||||||||||||||||
| 15 | 113.40.2500.001 | 2239.2 | 2678 | 2325 | 112 | 2610 | 2391 | 56 | 33 | 30 | 8 | 2497 | 2503 | 100 | 12 | 90 | 18 | 125 | 0.5 | 0.2 | 203 | 281 | 1211 |
| 114.40.2500.001 | 2228 | 20 | 112 | 226 | 313 | 1211 | |||||||||||||||||
| 16 | 113.40.2800.001 | 2527.2 | 2978 | 2625 | 112 | 2910 | 2691 | 56 | 33 | 30 | 8 | 2797 | 2803 | 100 | 12 | 90 | 18 | 141 | 0.5 | 0.2 | 203 | 281 | 1396 |
| 114.40.2800.001 | 2528 | 20 | 127 | 226 | 313 | 1396 | |||||||||||||||||
| 17 | 113.50.3150.001 | 2828 | 3376 | 2922 | 134 | 3286 | 3014 | 56 | 45 | 42 | 8 | 3147 | 3153 | 122 | 12 | 110 | 20 | 142 | 0.5 | 0.2 | 276 | 383 | 2344 |
| 114.50.3150.001 | 2824.8 | 22 | 129 | 304 | 421 | 2344 | |||||||||||||||||