产品描述
回转支承(也称为回转轴承)广泛应用于各种机械设备中,以下是一些典型的应用案例:
1. 建筑机械
2. 塔式起重机:回转支承支撑驾驶台和吊钩,实现水平旋转。
施工机械:如搅拌站、扒机等,确保机械的旋转运动平稳可靠。
3. 风力发电
叶片安装:用于风机主轴的旋转支撑。转子连接:支持风轮转动,传递扭矩。
5. 冶金与矿业
6. 转炉、轧机:承载巨大载荷,实现旋转操作,提高生产效率。
挖掘机等重型机械:支持旋转臂与工作端的运动。
7. 交通运输
1. 铁路车辆:如电气化列车的转向架部分,实现车轮转向。
2. 港口机械:如码头起重机、卸货机械,进行角度调节和旋转。


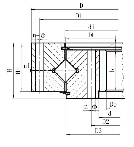
注
1、n1为润滑油孔数。油杯M10x1JB/T7940.1~JB/T7940.2。根据应用情况用户可指定油孔位置2、n- φ可改为螺纹孔,螺纹直径 M ,螺纹深度 2M3、表内齿轮圆周力为最大圆周力,额定圆周力取其1/2。
2、“k”为削顶系数。
3、本样本中的规格为标准产品,内外径均为自由公差。若主机与回转支承有配合要求,请在合同或合同附件(如技术协议)中注明配合尺寸和精度。
4、表中所列为我公司常规产品,若有其他特殊要求,请与我公司联系