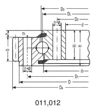
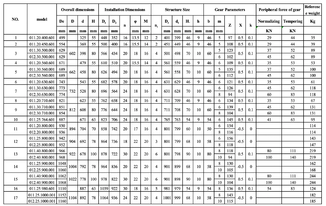
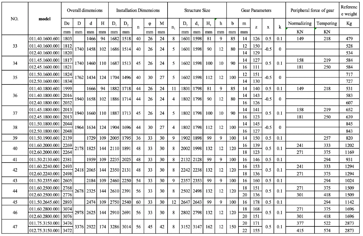
单排四点接触球式回转支承
山东永强锻造一家集锻造毛坯、回转支承加工制作为一体的高端制作企业。我们致力于为机械行业提供各种标准和非标回转支承解决方案。 回转支承广泛应用于机械行业并提供优秀的运转精度,在减轻重量、创造空间、减少摩擦、延长使用寿命等方面也做的很出色。永强提供多种原材料材质、内部装配选择、润滑油脂以及耐腐蚀选项。我们提供滚道中心距从120mm到2500的回转支承。 我们的回转支承运转过程中的密封效果,有力保障回转支承的内部润滑,延长使用寿命。 作为工程机械的主机配套厂家,可以提供稳定可靠的回转支承运转解决方案。
联系我们
产品描述
单排四点接触球式回转支承(01系列)

注
1、n1为润滑油孔数。油杯M10x1JB/T7940.1~JB/T7940.
2、根据应用情况用户可指定油孔位置,n- φ可改为螺纹孔,螺纹直径 M ,螺纹深度 2M
3、表内齿轮圆周力为最大圆周力,额定圆周力取其1/2。
4、“k”为削顶系数。
5、本样本中的规格为标准产品,内外径均为自由公差。若主机与回转支承有配合要求,请在合同或合同附件(如技术协议)中注明配合尺寸和精度。
6、表中所列为我公司常规产品,若有其他特殊要求,请与我公司联系


