三排滚柱式回转支承
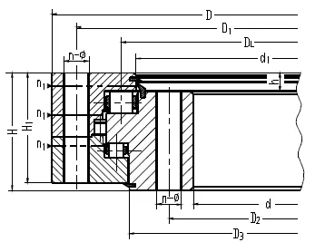
三排滚柱式回转支承由内圈、外圈、三排滚柱、隔离块(保持架)和密封装置组成。其设计独特,采用三排滚柱排列,其中两排承受轴向负载,一排承受径向负载。这样的结构分配使其具有较高的承载能力和稳定性。三排滚柱式回转支承由内圈、外圈、三排滚柱、隔离块(保持架)和密封装置组成。其设计独特,采用三排滚柱排列,其中两排承受轴向负载,一排承受径向负载。这样的结构分配使其具有较高的承载能力和稳定性。
联系我们
产品描述

