双排球式回转支承
双排球式回转支承具有三个座圈,钢球和隔离块可直接排入上下滚道,根据受力状况,安排了上下两排直径不同的钢球。这种开式装配非常方便,上下圆弧滚道的承载角都为90°,能承受很大的轴向力和倾翻力矩。当径向力大于0.1倍的轴向力时滚道须特殊设计。双排球式回转支承的轴向、径向尺寸都比较大,结构坚固,特别适用于要求中等以上直径的塔式起重机、汽车起重机等装卸机械上。
联系我们
产品描述
双排球式回转支承(02系列)

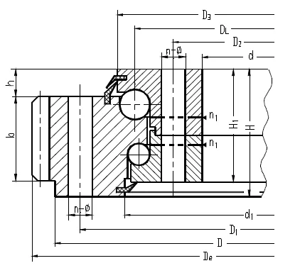
注
1、n1为润滑油孔数。油杯M10x1JB/T7940.1~JB/T7940.
2、根据应用情况用户可指定油孔位置,n- φ可改为螺纹孔,螺纹直径 M ,螺纹深度 2M
3、表内齿轮圆周力为最大圆周力,额定圆周力取其1/2。
4、“k”为削顶系数。
5、本样本中的规格为标准产品,内外径均为自由公差。若主机与回转支承有配合要求,请在合同或合同附件(如技术协议)中注明配合尺寸和精度。
6、表中所列为我公司常规产品,若有其他特殊要求,请与我公司联系
| No | Model | Overall dimensions | Installation Dimensions | Structure Size | Gear Parameters | Peripheral force of gear | Reference weight | ||||||||||||||||
| De | D | d | H | D1 | D2 | n | φ | M | n1 | D3 | d1 | H₁ | h | b | m | z | x | k | Normalizing | Tempering | Kg | ||
| mm | mm | mm | mm | mm | mm | mm | mm | mm | mm | mm | mm | mm | mm | KN | KN | ||||||||
| 1 | 021.25.500.002 | 644 | 616 | 384 | 106 | 580 | 420 | 20 | 18 | 16 | 4 | 523 | 518 | 96 | 26 | 60 | 5 | 126 | 0.5 | 0.1 | 37 | 52 | 130 |
| 022.25.500.002 | 646.8 | 6 | 105 | 45 | 62 | 130 | |||||||||||||||||
| 2 | 021.25.560.002 | 704 | 676 | 444 | 106 | 640 | 480 | 20 | 18 | 16 | 4 | 583 | 578 | 96 | 26 | 60 | 5 | 138 | 0.5 | 0.1 | 37 | 52 | 146 |
| 022.25.560.002 | 706.8 | 6 | 115 | 45 | 62 | 147 | |||||||||||||||||
| 3 | 021.25.630.002 | 790.8 | 746 | 514 | 106 | 710 | 550 | 24 | 18 | 16 | 4 | 653 | 648 | 96 | 26 | 60 | 6 | 129 | 0.5 | 0.1 | 45 | 62 | 173 |
| 022.25.630.002 | 790.4 | 8 | 96 | 60 | 83 | 170 | |||||||||||||||||
| 4 | 021.25.710.002 | 862.8 | 826 | 594 | 106 | 790 | 630 | 24 | 18 | 16 | 4 | 733 | 728 | 96 | 26 | 60 | 6 | 141 | 0.5 | 0.1 | 45 | 62 | 190 |
| 022.25.710.002 | 862.4 | 8 | 105 | 60 | 83 | 187 | |||||||||||||||||
| 5 | 021.30.800.002 | 982.4 | 942 | 658 | 124 | 898 | 702 | 30 | 22 | 20 | 6 | 829 | 823 | 114 | 29 | 80 | 8 | 120 | 0.5 | 0.1 | 80 | 111 | 305 |
| 022.30.800.002 | 988 | 10 | 96 | 100 | 140 | 307 | |||||||||||||||||
| 6 | 021.30.900.002 | 1086.4 | 1042 | 758 | 124 | 998 | 802 | 30 | 22 | 20 | 6 | 929 | 923 | 114 | 29 | 80 | 8 | 133 | 0.5 | 0.1 | 80 | 111 | 349 |
| 022.30.900.002 | 1088 | 10 | 106 | 100 | 140 | 348 | |||||||||||||||||
| 7 | 021.30.1000.002 | 1198 | 1142 | 858 | 124 | 1098 | 902 | 36 | 22 | 20 | 6 | 1029 | 1023 | 114 | 29 | 80 | 10 | 117 | 0.5 | 0.1 | 100 | 140 | 396 |
| 022.30.1000.002 | 1197.6 | 12 | 97 | 120 | 167 | 391 | |||||||||||||||||
| 8 | 021.30.1120.002 | 1318 | 1262 | 978 | 124 | 1218 | 1022 | 36 | 22 | 20 | 6 | 1148 | 1143 | 114 | 29 | 80 | 10 | 129 | 0.5 | 0.1 | 100 | 140 | 445 |
| 022.30.1120.002 | 1317.6 | 12 | 107 | 120 | 167 | 439 | |||||||||||||||||
| 9 | 021.40.1250.002 | 1497.6 | 1426 | 1074 | 160 | 1374 | 1126 | 40 | 26 | 24 | 5 | 1286 | 1282 | 150 | 39 | 90 | 12 | 122 | 0.5 | 0.1 | 135 | 188 | 784 |
| 022.40.1250.002 | 1495.2 | 14 | 104 | 158 | 219 | 774 | |||||||||||||||||
| 10 | 021.40.1400.002 | 1641.6 | 1576 | 1224 | 160 | 1524 | 1272 | 40 | 26 | 24 | 5 | 1436 | 1432 | 150 | 39 | 90 | 12 | 134 | 0.5 | 0.1 | 135 | 188 | 870 |
| 022.40.1400.002 | 1649.2 | 14 | 115 | 158 | 219 | 878 | |||||||||||||||||
| 11 | 021.40.1600.002 | 1845.2 | 1776 | 1424 | 160 | 1724 | 1476 | 45 | 26 | 24 | 5 | 1636 | 1635 | 150 | 39 | 90 | 14 | 129 | 0.5 | 0.1 | 158 | 219 | 995 |
| 022.40.1600.002 | 1852.8 | 16 | 113 | 181 | 250 | 1003 | |||||||||||||||||
| 12 | 021.40.1800.002 | 2055.2 | 1976 | 1624 | 160 | 1924 | 1676 | 45 | 26 | 24 | 5 | 1836 | 1835 | 150 | 39 | 90 | 14 | 144 | 0.5 | 0.1 | 158 | 219 | 1147 |
| 022.40.1800.002 | 2060.8 | 16 | 126 | 181 | 250 | 1151 | |||||||||||||||||
| 13 | 021.50.2000.002 | 2300.8 | 2215 | 1785 | 190 | 2149 | 1851 | 48 | 33 | 30 | 8 | 2038 | 2035 | 178 | 47 | 120 | 16 | 141 | 0.5 | 0.1 | 241 | 333 | 1794 |
| 022.50.2000.002 | 2300.4 | 18 | 125 | 271 | 375 | 1780 | |||||||||||||||||
| 14 | 021.50.2240.002 | 2540.8 | 2455 | 2025 | 190 | 2389 | 2091 | 48 | 33 | 30 | 8 | 2278 | 2275 | 178 | 47 | 120 | 16 | 156 | 0.5 | 0.1 | 241 | 333 | 2017 |
| 022.50.2240.002 | 2552.4 | 18 | 139 | 271 | 375 | 2048 | |||||||||||||||||
| 15 | 021.50.2500.002 | 2804.4 | 2715 | 2285 | 190 | 2649 | 2351 | 56 | 33 | 30 | 8 | 2538 | 2532 | 178 | 47 | 120 | 18 | 153 | 0.5 | 0.1 | 271 | 375 | 2246 |
| 022.50.2500.002 | 2816 | 20 | 138 | 301 | 418 | 2280 | |||||||||||||||||
| 16 | 021.50.2800.002 | 3110.4 | 3015 | 2585 | 190 | 2949 | 2651 | 56 | 33 | 30 | 8 | 2838 | 2832 | 178 | 47 | 120 | 18 | 170 | 0.5 | 0.1 | 271 | 375 | 2553 |
| 022.50.2800.002 | 3116 | 20 | 153 | 301 | 418 | 2563 | |||||||||||||||||
| 17 | 021.60.3150.002 | 3536 | 3428 | 2872 | 226 | 3338 | 2962 | 56 | 45 | 42 | 8 | 3198 | 3196 | 214 | 56 | 150 | 20 | 174 | 0.5 | 0.1 | 377 | 522 | 4428 |
| 022.60.3150.002 | 3537.6 | 22 | 158 | 415 | 574 | 4414 | |||||||||||||||||
| 18 | 021.60.3550.002 | 3936 | 3828 | 3272 | 226 | 3738 | 3362 | 56 | 45 | 42 | 8 | 3598 | 3596 | 214 | 56 | 150 | 20 | 194 | 0.5 | 0.1 | 377 | 522 | 5012 |
| 022.60.3550.002 | 3933.6 | 22 | 176 | 415 | 574 | 4967 | |||||||||||||||||
| 19 | 021.60.4000.002 | 4395.6 | 4278 | 3722 | 226 | 4188 | 3812 | 60 | 45 | 42 | 10 | 4048 | 4046 | 214 | 56 | 150 | 22 | 197 | 0.5 | 0.1 | 415 | 574 | 5706 |
| 022.60.4000.002 | 4395 | 25 | 173 | 471 | 652 | 5656 | |||||||||||||||||
| 20 | 021.60.4500.002 | 4879.6 | 4778 | 4222 | 226 | 4688 | 4312 | 60 | 45 | 42 | 10 | 4548 | 4546 | 214 | 56 | 150 | 22 | 219 | 0.5 | 0.1 | 415 | 574 | 6293 |
| 022.60.4500.002 | 4895 | 25 | 193 | 471 | 652 | 6885 | |||||||||||||||||