双列球式回转支承
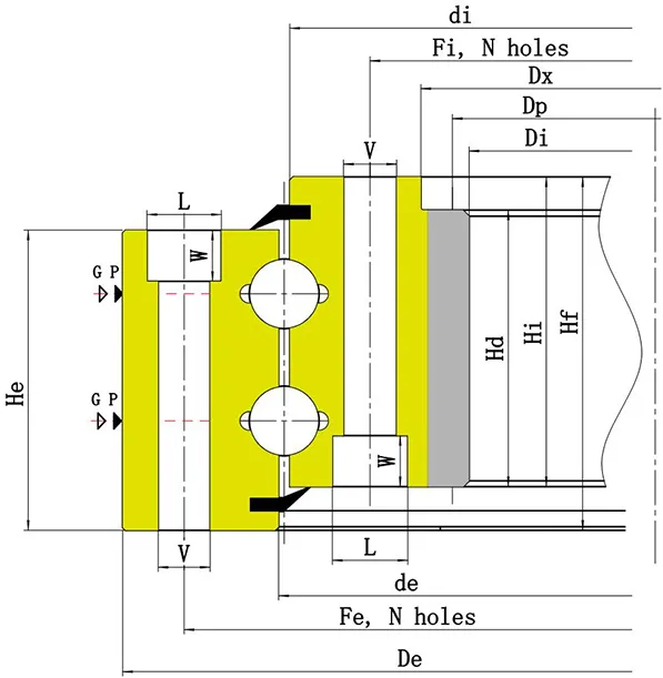
双列球式回转支承由两排球式滚动体组成,能同时承受较大的轴向载荷、径向载荷和倾覆力矩,安全系数更高。被广泛应用于中大型起重机、矿山设备、挖掘机等机械设备。 双列球式回转支承主要由内圈、外圈、两排滚动体(钢球)、保持架和密封装置组成。其内圈和外圈通常有多个安装孔,用于固定在设备上。滚动体在保持架或者隔离块的引导下,在内外圈之间滚动,确保平稳的旋转运动。
联系我们
产品描述
注
1、n1为润滑油孔数。油杯M10x1JB/T7940.1~JB/T7940.
2、根据应用情况用户可指定油孔位置,n- φ可改为螺纹孔,螺纹直径 M ,螺纹深度 2M
3、表内齿轮圆周力为最大圆周力,额定圆周力取其1/2。
4、“k”为削顶系数。
5、本样本中的规格为标准产品,内外径均为自由公差。若主机与回转支承有配合要求,请在合同或合同附件(如技术协议)中注明配合尺寸和精度。
6、表中所列为我公司常规产品,若有其他特殊要求,请与我公司联系
