HJ系列滚柱系列
单排交叉滚柱式回转支承,由两个座圈组成,结构紧凑,重量轻.制造精度高,装配间隙小,对安装精度要求高.滚柱为1:1交叉排列,能同时承受轴向力,倾翻力矩和较大的径向力,被广泛的用于起重运输,工程机械和军工产品上。
联系我们
产品描述

                                           

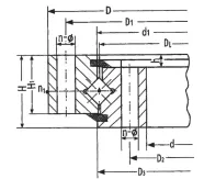
注:1、n1为润滑油孔数。油杯M10×1JB/T7940.1~JB/T7940.
2、根据实际应用情况用户可指定油孔位置。
3、n-∅可改为螺纹孔,螺纹孔直径M,螺纹深度2M。
4、本样本中的规格为标准产品,内外径均为自由公差。若主机与回转支承有配合要求,请在合同或合同附件(如技术协议)中注明配合尺寸和精度。
5、表中所列为我公司常规产品,若有其他特殊要求,请与我公司联系。
Basic Model Overall Dimensions Installation Dimensions Structure Size Gear Parameters Parameters of Internal Gears Parameters of External Gears Peripheral force of gear Weight (kg)
Non-gear type External gear type Internal gear type D d H D₁ D₂ n φ n1 d₁ D₃ H₁ h b x m De z De z Normalizing Tempering
DL DL DL mm mm mm mm mm mm mm mm mm mm mm mm mm mm Z T
mm mm mm                             10⁴N 10⁴N
HJB.20.625 HJW.20.625 HJN.20.625 725 525 80 685 565 18 18 3 627 623 68 12 60 1.4 5 751.9 146 498.8 101   5.2 100
HJW.20.625A HJN.20.625A 1.15 6 755.5 122 496.7 84   6.2
HJB.20.720 HJW.20.720 HJN.20.720 820 620 80 780 660 18 18 3 722 718 68 12 60 1.4 6 860.3 139 586.6 99   6.2 120
HJW.20.720A HJN.20.720A 1 8 861.1 104 582.3 74   8.3
HJB.30.820 HJW.30.820 HJN.30.820 940 705 95 893 749 24 20 4 822 818 83 12 70 1.4 6 980.6 159 664.5 112   7.2 210
HJW.30.820A HJN.30.820A 1 10 986.2 95 658 67   12.2
HJB.30.880 HJW.30.880 HJN.30.880 1000 760 95 956 800 24 20 4 882 878 83 12 70 1.15 8 1047.5 127 718.2 91   9.7 230
HJW.30.880A HJN.30.880A 1 10 1046.3 101 707.9 72   12.2
HJB.30.1020 HJW.30.1020 HJN.30.1020 1170 875 95 1120 930 24 22 4 1022 1018 80 15 70 1.4 8 1219.3 148 830.1 105   9.7 300
HJW.30.1020A HJN.30.1020A 1.15 10 1219.2 118 827.8 84   12.2
HJB.36.1220 HJW.36.1220 HJN.36.1220 1365 1075 120 1310 1130 36 24 6 1222 1218 105 15 90 1.4 10 1424.9 138 1027.8 104   15.7 450
HJW.36.1220A HJN.36.1220A 1 12 1435.9 116 1017.3 86   18.8
HJB.36.1250 HJW.36.1250 HJN.36.1250 1400 1090 120 1350 1150 36 26 6 1252 1248 105 15 90 -0.35 10 1443 143 1037 105   15.7 520
HJW.36.1250A HJN.36.1250A 1 12 1449.6 117 1036.8 86   18.8
HJB.36.1435 HJW.36.1435 HJN.36.1435 1595 1278 120 1535 1335 36 26 6 1437 1433 105 15 90 1.15 12 1655.5 134 1221.2 103   18.8 610
HJW.36.1435A HJN.36.1435A 1 14 1661.2 115 1214.8 88   21.9
HJB.45.1540 HJW.45.1540 HJN.45.1540 1720 1360 140 1660 1420 42 26 6 1543 1537 122 18 110 1.4 12 1780.8 144 1293.1 109   23 732
HJW.45.1540A HJN.45.1540A 1.15 14 1791.1 124 1284.8 93   26.8
HJB.45.1700 HJW.45.1700 HJN.45.1700 1875 1525 140 1815 1585 42 29 6 1703 1679 122 18 110 1.15 14 1945.4 135 1452.7 105   26.8 844
HJW.45.1700A HJN.45.1700A 1.15 16 1950.8 118 1452.3 92   30.5
HSB.40.1880 HSW.40.1880 HSN.40.1880 2100 1665 160 2030 1740 48 32 6 1881 1878 140 20 115 1.4 14 2189.8 152 1592.6 115   27.8 1400
HSW.40.1880A HSN.40.1880A 1.15 18 2194.6 118 1579.9 89   35.8
HSB.40.2115 HSW.40.2115 HSN.40.2115 2325 1900 160 2245 1980 48 32 6 2116 2113 140 20 115 1.4 16 2406.5 146 1804.1 114   31.9 1600
HSW.40.2115A HSN.40.2115A 1.15 20 2418.4 117 1795.4 91   40
HSB.40.2370 HSW.40.2370 HSN.40.2370 2600 2146 180 2520 2220 48 32 6 2371 2368 158 22 130 1.4 18 2707.3 146 2065.6 116   40.7 2100
HSW.40.2370A HSN.40.2370A 1.15 22 2704.4 119 2040.9 94   49.7
HSB.40.2600 HSW.40.2600 HSN.40.2600 2835 2365 180 2750 2450 54 36 6 2601 2598 158 22 130 1.4 18 2941.7 159 2263.5 127   37.6 2400
HSW.40.2600A HSN.40.2600A 1.15 22 2946.9 130 2260.8 104   45.9
HSB.50.2820 HSW.50.2820 HSN.50.2820 3085 2555 200 3000 2640 54 36 6 2822 2818 178 22 150 1.4 20 3188.4 155 2455 124   52.2 3400
HSW.50.2820A HSN.50.2820A 1.15 25 3198.4 124 2444.1 99   65.3
HSB.50.3120 HSW.50.3120 HSN.50.3120 3400 2840 200 3310 2930 54 36 6 3122 3118 178 22 150 1.4 22 3507.2 155 2722.5 125   57.4 4000
HSW.50.3120A HSN.50.3120A 1.4 25 3509.6 136 2719 110   65.3