双排球式回转支承
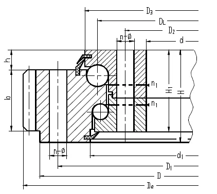
双排球式回转支承具有三个座圈,钢球和隔离块可直接排入上下滚道,根据受力状况,安排了上下两排直径不同的钢球。这种开式装配非常方便,上下圆弧滚道的承载角都为90°,能承受很大的轴向力和倾翻力矩。当径向力大于0.1倍的轴向力时滚道须特殊设计。双排球式回转支承的轴向、径向尺寸都比较大,结构坚固,特别适用于要求中等以上直径的塔式起重机、汽车起重机等装卸机械上。
联系我们
产品描述

注
1、n1为润滑油孔数。油杯M10x1JB/T7940.1~JB/T7940.
2、根据应用情况用户可指定油孔位置,n- φ可改为螺纹孔,螺纹直径 M ,螺纹深度 2M
3、表内齿轮圆周力为最大圆周力,额定圆周力取其1/2。
4、“k”为削顶系数。
5、本样本中的规格为标准产品,内外径均为自由公差。若主机与回转支承有配合要求,请在合同或合同附件(如技术协议)中注明配合尺寸和精度。
6、表中所列为我公司常规产品,若有其他特殊要求,请与我公司联系
