轻薄型系列回转支承
轻薄型系列回转支承的基本结构包括内圈、外圈、滚动体(滚珠或滚柱)、保持架和密封装置。与传统回转支承相比,轻薄型系列回转支承的截面高度较低,整体设计紧凑,重量轻、厚度薄、轻动灵活,广泛应用于食品机械、灌装机械、环保机械等。
联系我们
产品描述

         

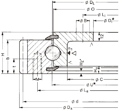
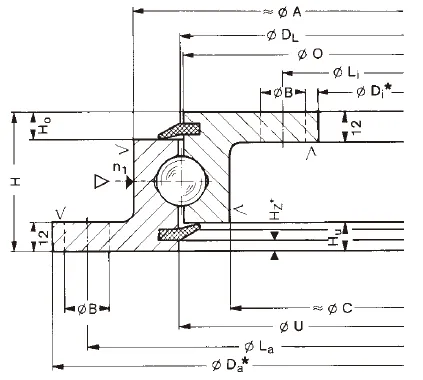
1n1为润滑油孔数。油杯M10x1JB/T7940.1~JB/T7940.
2根据应用情况用户可指定油孔位置,n- φ可改为螺纹孔,螺纹直径 M ,螺纹深度 2M
3、表内齿轮圆周力为最大圆周力,额定圆周力取其1/2
4k”为削顶系数。
5、本样本中的规格为标准产品,内外径均为自由公差。若主机与回转支承有配合要求,请在合同或合同附件(如技术协议)中注明配合尺寸和精度。
6、表中所列为我公司常规产品,若有其他特殊要求,请与我公司联系
model weight Overall Dimensions  Installation Dimensions   Structural Dimensions  Gear Parameters Gear Tangential Force Axial Clearance Radial Clearance
D de H D1 D2 na Φ M t D3 d1 H1 H2 Hu Ho d m z k.m b Allowable Tangential Force Maximum Allowable Tangential Force
YQ-061.20.0414 31 504 342 56 455 368 20/24 13.5 12 20 412.5 415.5 45.5 45.5 10.5 10.5 495 5 99 -0.5 45.5 11.75 23.5 ≤ 0.28 ≤ 0.24
YQ-061.20.0544 43 640.8 472 56 585 498 28/32 13.5 12 20 542.5 545.5 45.5 45.5 10.5 10.5 630 6 105 -0.6 45.5 14.2 28.4 ≤ 0.30 ≤ 0.26
YQ-061.20.0644 52 742.8 572 56 685 598 32/36 13.5 12 20 642.5 645.5 45.5 45.5 10.5 10.5 732 6 122 -0.6 45.5 14.2 28.4 ≤ 0.30 ≤ 0.26
YQ-061.20.0744 59 838.8 672 56 785 698 36/40 13.5 12 20 742.5 745.5 45.5 45.5 10.5 10.5 858 6 138 -0.6 45.5 14.2 28.4 ≤ 0.30 ≤ 0.26
YQ-061.20.0844 71 950.4 772 56 885 798 38/40 13.5 12 20 842.5 845.5 45.5 45.5 10.5 10.5 936 8 117 -0.8 45.5 18.93 37.86 ≤ 0.30 ≤ 0.26
YQ-061.20.0944 77 1046.4 872 56 985 898 40/44 13.5 12 20 942.5 945.5 45.5 45.5 10.5 10.5 1032 8 129 -0.8 45.5 18.93 37.86 ≤ 0.30 ≤ 0.26
YQ-061.20.1094 91 1198.4 1022 56 1135 1048 44/48 13.5 12 20 1092.5 1095.5 45.5 45.5 10.5 10.5 1184 8 148 -0.8 45.5 18.93 37.86 ≤ 0.30 ≤ 0.26

 

model weight Overall Dimensions  Installation Dimensions   Structural Dimensions  Gear Parameters Allowable Tangential Force Maximum Allowable Tangential Force Axial Clearance Radial Clearance
D de H D1 D2 na Φ/M ni Φ/M t n1 D3 d1 A C Hu Ho d m z b k.m
YQ-231.20.0414 29.0  504 304 56 455 332 10 M12 24 18 20 4 412.5 415.5   375 10.5 10.5 495 5 99 45.5 -0.5 11.75 23.50  ≤ 0.5 ≤ 0.5
YQ-231.20.0544 39.2  640.8 434 56 585 462 14 M12 28 18 20 4 542.5 545.5   505 10.5 10.5 630 6 105 45.5 -0.6 14.2 28.40  ≤ 0.5 ≤ 0.5
YQ-231.20.0644 47.2  742.8 534 56 685 562 16 M12 32 18 20 4 642.5 645.5   605 10.5 10.5 732 6 122 45.5 -0.6 14.2 28.40  ≤ 0.5 ≤ 0.5
YQ-231.20.0744 53.1  838.8 634 56 785 662 18 M12 32 18 20 4 742.5 745.5   705 10.5 10.5 828 6 138 45.5 -0.6 14.2 28.40  ≤ 0.5 ≤ 0.5
YQ-231.20.0844 64.7  950.4 734 56 885 762 18 M12 36 18 20 4 842.5 845.5   805 10.5 10.5 936 8 117 45.5 -0.8 18.93 37.86  ≤ 0.5 ≤ 0.5
YQ-231.20.0944 69.1  1046.4 834 56 985 862 20 M12 40 18 20 4 942.5 945.5   905 10.5 10.5 1032 8 129 45.5 -0.8 18.93 37.86  ≤ 0.5 ≤ 0.5
YQ-231.20.1094 82.5  1198.4 984 56 1135 1012 22 M12 40 18 20 4 1092.5 1095.5   1055 10.5 10.5 1184 8 148 45.5 -0.8 18.93 37.86  ≤ 0.5 ≤ 0.5

 

NO. Basic Model Overall Dimensions Installation Dimensions Structure Size Gear Parameters Parameters of Internal Gears Parameters of External Gears
Non-gear type DL(mm) External gear type DL(mm) Internal gear type DL(mm) D d H D₁ D₂ n φ n₁ D₃ d₁ H₁ h b X m De Z De Z
mm mm mm mm mm   mm  
1 010.20.200 011.20.200 - 280 120 60 248 152 12 16 2 201 199 50 10 40 0 3 300 98 - -
2 010.20.224 011.20.224 - 304 144 60 272 176 12 16 2 225 223 50 10 40 0 3 321 105 - -
3 010.20.250 011.20.250 - 330 170 60 298 202 18 16 2 251 249 50 10 40 0 4 352 86 - -
4 010.20.280 011.20.280 - 360 200 60 328 232 18 16 2 281 279 50 10 40 0 4 384 94 - -
5 010.25.315 011.25.315 013.25.315 408 222 70 372 258 20 18 2 316 314 60 10 50 0 5 435 85 190 40
6 010.25.355 011.25.355 013.25.355 448 262 70 412 298 20 18 2 356 354 60 10 50 0 5 475 93 235 49
7 010.25.400 011.25.400 013.25.400 493 307 70 457 343 24 18 2 401 399 60 10 50 0 6 528 86 276 48
8 010.25.450 011.25.450 013.25.450 543 357 70 507 393 24 18 2 451 449 60 10 50 0 6 576 94 324 56