双排球式回转支承
双排球式回转支承具有三个座圈,钢球和隔离块可直接排入上下滚道,根据受力状况,安排了上下两排直径不同的钢球。这种开式装配非常方便,上下圆弧滚道的承载角都为90°,能承受很大的轴向力和倾翻力矩。当径向力大于0.1倍的轴向力时滚道须特殊设计。双排球式回转支承的轴向、径向尺寸都比较大,结构坚固,特别适用于要求中等以上直径的塔式起重机、汽车起重机等装卸机械上。
联系我们
产品描述
注
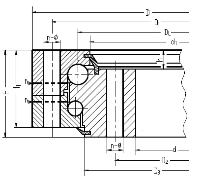
1、n1为润滑油孔数。油杯M10x1JB/T7940.1~JB/T7940.
2、根据应用情况用户可指定油孔位置,n- φ可改为螺纹孔,螺纹直径 M ,螺纹深度 2M
3、表内齿轮圆周力为最大圆周力,额定圆周力取其1/2。
4、“k”为削顶系数。
5、本样本中的规格为标准产品,内外径均为自由公差。若主机与回转支承有配合要求,请在合同或合同附件(如技术协议)中注明配合尺寸和精度。
6、表中所列为我公司常规产品,若有其他特殊要求,请与我公司联系
| No. | Model | Overall dimensions | Installation Dimensions | Structure Size | Gear Parameters | Peripheral force of gear | Reference weight | ||||||||||||||||
| De | D | d | H | D1 | D2 | n | Φ | M | n1 | D3 | d1 | H₁ | h | b | m | z | x | k | Normalizing | Tempering | Kg | ||
| mm | mm | mm | mm | mm | mm | mm | mm | mm | mm | mm | mm | mm | mm | KN | KN | ||||||||
| 1 | 020.25.500.002 | 616 | 384 | 106 | 580 | 420 | 20 | 18 | 16 | 4 | 477 | 482 | 96 | 26 | 121 | ||||||||
| 2 | 020.25.560.002 | 676 | 444 | 106 | 640 | 480 | 20 | 18 | 16 | 4 | 537 | 543 | 96 | 26 | 136 | ||||||||
| 3 | 020.25.630.002 | 746 | 514 | 106 | 710 | 550 | 24 | 18 | 16 | 4 | 607 | 613 | 96 | 26 | 152 | ||||||||
| 4 | 020.25.710.002 | 826 | 594 | 106 | 790 | 630 | 24 | 18 | 16 | 4 | 687 | 692 | 96 | 26 | 172 | ||||||||
| 5 | 020.30.800.002 | 942 | 658 | 124 | 898 | 702 | 30 | 22 | 20 | 6 | 771 | 777 | 114 | 29 | 284 | ||||||||
| 6 | 020.30.900.002 | 1042 | 758 | 124 | 998 | 802 | 30 | 22 | 20 | 6 | 871 | 877 | 114 | 29 | 316 | ||||||||
| 7 | 020.30.1000.002 | 1142 | 858 | 124 | 1098 | 902 | 36 | 22 | 20 | 6 | 971 | 977 | 114 | 29 | 349 | ||||||||
| 8 | 020.30.1120.002 | 1262 | 978 | 124 | 1218 | 1022 | 36 | 22 | 20 | 6 | 1091 | 1097 | 114 | 29 | 394 | ||||||||
| 9 | 020.40.1250.002 | 1426 | 1074 | 160 | 1374 | 1126 | 40 | 26 | 24 | 5 | 1214 | 1215 | 150 | 39 | 709 | ||||||||
| 10 | 020.40.1400.002 | 1576 | 1224 | 160 | 1524 | 1272 | 40 | 26 | 24 | 5 | 1364 | 1365 | 150 | 39 | 787 | ||||||||
| 11 | 020.40.1600.002 | 1776 | 1424 | 160 | 1724 | 1476 | 45 | 26 | 24 | 5 | 1564 | 1565 | 150 | 39 | 899 | ||||||||
| 12 | 020.40.1800.002 | 1976 | 1624 | 160 | 1924 | 1676 | 45 | 26 | 24 | 5 | 1764 | 1765 | 150 | 39 | 1018 | ||||||||
| 13 | 020.50.2000.002 | 2215 | 1785 | 190 | 2149 | 1851 | 48 | 33 | 30 | 8 | 1962 | 1965 | 178 | 47 | 1586 | ||||||||
| 14 | 020.50.2240.002 | 2455 | 2025 | 190 | 2389 | 2091 | 48 | 33 | 30 | 8 | 2202 | 2206 | 178 | 47 | 1789 | ||||||||
| 15 | 020.50.2500.002 | 2715 | 2285 | 190 | 2649 | 2351 | 56 | 33 | 30 | 8 | 2462 | 2465 | 178 | 47 | 1990 | ||||||||
| 16 | 020.50.2800.002 | 3015 | 2585 | 190 | 2949 | 2651 | 56 | 33 | 30 | 8 | 2762 | 2765 | 178 | 47 | 2243 | ||||||||
| 17 | 020.60.3150.002 | 3428 | 2872 | 226 | 3338 | 2962 | 56 | 45 | 42 | 8 | 3102 | 3104 | 214 | 56 | 3762 | ||||||||
| 18 | 020.60.3550.002 | 3828 | 3272 | 226 | 3738 | 3362 | 56 | 45 | 42 | 8 | 3502 | 3504 | 214 | 56 | 4272 | ||||||||
| 19 | 020.60.4000.002 | 4278 | 3722 | 226 | 4188 | 3812 | 60 | 45 | 42 | 10 | 3952 | 3954 | 214 | 56 | 4828 | ||||||||
| 20 | 020.60.4500.002 | 4778 | 4222 | 226 | 4688 | 4312 | 60 | 45 | 42 | 10 | 4452 | 4454 | 214 | 56 | 5465 | ||||||||