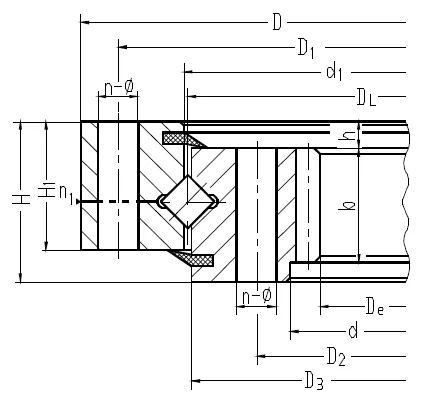
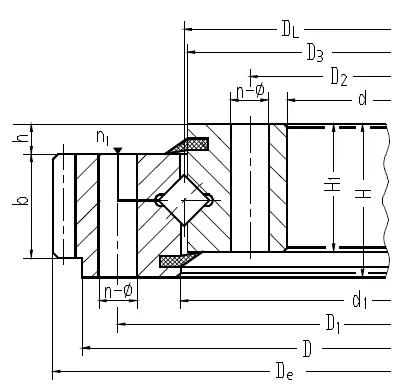
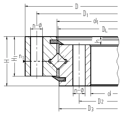
HJ系列滚柱系列
单排交叉滚柱式回转支承,由两个座圈组成,结构紧凑,重量轻.制造精度高,装配间隙小,对安装精度要求高.滚柱为1:1交叉排列,能同时承受轴向力,倾翻力矩和较大的径向力,被广泛的用于起重运输,工程机械和军工产品上。
联系我们
产品描述
注:1、n1为润滑油孔数。油杯M10×1JB/T7940.1~JB/T7940.
2、根据实际应用情况用户可指定油孔位置。
3、n-∅可改为螺纹孔,螺纹孔直径M,螺纹深度2M。
4、本样本中的规格为标准产品,内外径均为自由公差。若主机与回转支承有配合要求,请在合同或合同附件(如技术协议)中注明配合尺寸和精度。
5、表中所列为我公司常规产品,若有其他特殊要求,请与我公司联系。
| Basic Model | Overall Dimensions | Installation Dimensions | Structure Size | Gear Parameters | Parameters of Internal Gears | Parameters of External Gears | Peripheral force of gear | Weight (kg) | ||||||||||||||||
| Non-gear type | External gear type | Internal gear type | D | d | H | D₁ | D₂ | n | φ | n1 | d₁ | D₃ | H₁ | h | b | x | m | De | z | De | z | Normalizing | Tempering | |
| DL | DL | DL | mm | mm | mm | mm | mm | mm | mm | mm | mm | mm | mm | mm | mm | mm | Z | T | ||||||
| mm | mm | mm | 10⁴N | 10⁴N | ||||||||||||||||||||
| HJB.20.625 | HJW.20.625 | HJN.20.625 | 725 | 525 | 80 | 685 | 565 | 18 | 18 | 3 | 627 | 623 | 68 | 12 | 60 | 1.4 | 5 | 751.9 | 146 | 498.8 | 101 | 5.2 | 100 | |
| HJW.20.625A | HJN.20.625A | 1.15 | 6 | 755.5 | 122 | 496.7 | 84 | 6.2 | ||||||||||||||||
| HJB.20.720 | HJW.20.720 | HJN.20.720 | 820 | 620 | 80 | 780 | 660 | 18 | 18 | 3 | 722 | 718 | 68 | 12 | 60 | 1.4 | 6 | 860.3 | 139 | 586.6 | 99 | 6.2 | 120 | |
| HJW.20.720A | HJN.20.720A | 1 | 8 | 861.1 | 104 | 582.3 | 74 | 8.3 | ||||||||||||||||
| HJB.30.820 | HJW.30.820 | HJN.30.820 | 940 | 705 | 95 | 893 | 749 | 24 | 20 | 4 | 822 | 818 | 83 | 12 | 70 | 1.4 | 6 | 980.6 | 159 | 664.5 | 112 | 7.2 | 210 | |
| HJW.30.820A | HJN.30.820A | 1 | 10 | 986.2 | 95 | 658 | 67 | 12.2 | ||||||||||||||||
| HJB.30.880 | HJW.30.880 | HJN.30.880 | 1000 | 760 | 95 | 956 | 800 | 24 | 20 | 4 | 882 | 878 | 83 | 12 | 70 | 1.15 | 8 | 1047.5 | 127 | 718.2 | 91 | 9.7 | 230 | |
| HJW.30.880A | HJN.30.880A | 1 | 10 | 1046.3 | 101 | 707.9 | 72 | 12.2 | ||||||||||||||||
| HJB.30.1020 | HJW.30.1020 | HJN.30.1020 | 1170 | 875 | 95 | 1120 | 930 | 24 | 22 | 4 | 1022 | 1018 | 80 | 15 | 70 | 1.4 | 8 | 1219.3 | 148 | 830.1 | 105 | 9.7 | 300 | |
| HJW.30.1020A | HJN.30.1020A | 1.15 | 10 | 1219.2 | 118 | 827.8 | 84 | 12.2 | ||||||||||||||||
| HJB.36.1220 | HJW.36.1220 | HJN.36.1220 | 1365 | 1075 | 120 | 1310 | 1130 | 36 | 24 | 6 | 1222 | 1218 | 105 | 15 | 90 | 1.4 | 10 | 1424.9 | 138 | 1027.8 | 104 | 15.7 | 450 | |
| HJW.36.1220A | HJN.36.1220A | 1 | 12 | 1435.9 | 116 | 1017.3 | 86 | 18.8 | ||||||||||||||||
| HJB.36.1250 | HJW.36.1250 | HJN.36.1250 | 1400 | 1090 | 120 | 1350 | 1150 | 36 | 26 | 6 | 1252 | 1248 | 105 | 15 | 90 | -0.35 | 10 | 1443 | 143 | 1037 | 105 | 15.7 | 520 | |
| HJW.36.1250A | HJN.36.1250A | 1 | 12 | 1449.6 | 117 | 1036.8 | 86 | 18.8 | ||||||||||||||||
| HJB.36.1435 | HJW.36.1435 | HJN.36.1435 | 1595 | 1278 | 120 | 1535 | 1335 | 36 | 26 | 6 | 1437 | 1433 | 105 | 15 | 90 | 1.15 | 12 | 1655.5 | 134 | 1221.2 | 103 | 18.8 | 610 | |
| HJW.36.1435A | HJN.36.1435A | 1 | 14 | 1661.2 | 115 | 1214.8 | 88 | 21.9 | ||||||||||||||||
| HJB.45.1540 | HJW.45.1540 | HJN.45.1540 | 1720 | 1360 | 140 | 1660 | 1420 | 42 | 26 | 6 | 1543 | 1537 | 122 | 18 | 110 | 1.4 | 12 | 1780.8 | 144 | 1293.1 | 109 | 23 | 732 | |
| HJW.45.1540A | HJN.45.1540A | 1.15 | 14 | 1791.1 | 124 | 1284.8 | 93 | 26.8 | ||||||||||||||||
| HJB.45.1700 | HJW.45.1700 | HJN.45.1700 | 1875 | 1525 | 140 | 1815 | 1585 | 42 | 29 | 6 | 1703 | 1679 | 122 | 18 | 110 | 1.15 | 14 | 1945.4 | 135 | 1452.7 | 105 | 26.8 | 844 | |
| HJW.45.1700A | HJN.45.1700A | 1.15 | 16 | 1950.8 | 118 | 1452.3 | 92 | 30.5 | ||||||||||||||||
| HSB.40.1880 | HSW.40.1880 | HSN.40.1880 | 2100 | 1665 | 160 | 2030 | 1740 | 48 | 32 | 6 | 1881 | 1878 | 140 | 20 | 115 | 1.4 | 14 | 2189.8 | 152 | 1592.6 | 115 | 27.8 | 1400 | |
| HSW.40.1880A | HSN.40.1880A | 1.15 | 18 | 2194.6 | 118 | 1579.9 | 89 | 35.8 | ||||||||||||||||
| HSB.40.2115 | HSW.40.2115 | HSN.40.2115 | 2325 | 1900 | 160 | 2245 | 1980 | 48 | 32 | 6 | 2116 | 2113 | 140 | 20 | 115 | 1.4 | 16 | 2406.5 | 146 | 1804.1 | 114 | 31.9 | 1600 | |
| HSW.40.2115A | HSN.40.2115A | 1.15 | 20 | 2418.4 | 117 | 1795.4 | 91 | 40 | ||||||||||||||||
| HSB.40.2370 | HSW.40.2370 | HSN.40.2370 | 2600 | 2146 | 180 | 2520 | 2220 | 48 | 32 | 6 | 2371 | 2368 | 158 | 22 | 130 | 1.4 | 18 | 2707.3 | 146 | 2065.6 | 116 | 40.7 | 2100 | |
| HSW.40.2370A | HSN.40.2370A | 1.15 | 22 | 2704.4 | 119 | 2040.9 | 94 | 49.7 | ||||||||||||||||
| HSB.40.2600 | HSW.40.2600 | HSN.40.2600 | 2835 | 2365 | 180 | 2750 | 2450 | 54 | 36 | 6 | 2601 | 2598 | 158 | 22 | 130 | 1.4 | 18 | 2941.7 | 159 | 2263.5 | 127 | 37.6 | 2400 | |
| HSW.40.2600A | HSN.40.2600A | 1.15 | 22 | 2946.9 | 130 | 2260.8 | 104 | 45.9 | ||||||||||||||||
| HSB.50.2820 | HSW.50.2820 | HSN.50.2820 | 3085 | 2555 | 200 | 3000 | 2640 | 54 | 36 | 6 | 2822 | 2818 | 178 | 22 | 150 | 1.4 | 20 | 3188.4 | 155 | 2455 | 124 | 52.2 | 3400 | |
| HSW.50.2820A | HSN.50.2820A | 1.15 | 25 | 3198.4 | 124 | 2444.1 | 99 | 65.3 | ||||||||||||||||
| HSB.50.3120 | HSW.50.3120 | HSN.50.3120 | 3400 | 2840 | 200 | 3310 | 2930 | 54 | 36 | 6 | 3122 | 3118 | 178 | 22 | 150 | 1.4 | 22 | 3507.2 | 155 | 2722.5 | 125 | 57.4 | 4000 | |
| HSW.50.3120A | HSN.50.3120A | 1.4 | 25 | 3509.6 | 136 | 2719 | 110 | 65.3 | ||||||||||||||||

