交叉滚柱式回转支承
单排交叉滚柱式回转支承,由两个座圈组成,结构紧凑,重量轻,装配间隙小,对安装精度要求高,滚柱为1:1交叉排列,能同时承受轴向力,倾翻力矩和较大的径向力,被广泛的用于起重运输,工程机械和军工产品上。
联系我们
产品描述

 

单排交叉滚柱式回转支承(11系列)

 

                   

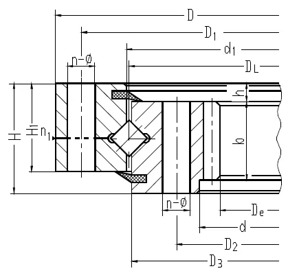
1n1为润滑油孔数。油杯M10x1JB/T7940.1~JB/T7940.
2根据应用情况用户可指定油孔位置,n- φ可改为螺纹孔,螺纹直径 M ,螺纹深度 2M
3、表内齿轮圆周力为最大圆周力,额定圆周力取其1/2
4k”为削顶系数。
5、本样本中的规格为标准产品,内外径均为自由公差。若主机与回转支承有配合要求,请在合同或合同附件(如技术协议)中注明配合尺寸和精度。
6、表中所列为我公司常规产品,若有其他特殊要求,请与我公司联系
No. Model Overall dimensions Installation Dimensions Structure Size Gear Parameters Peripheral force of gear Reference weight
De D d H D1 D2 n Φ M n1 D3 d1 H₁ h b m z x k Normalizing Tempering Kg
mm mm mm mm mm mm mm mm mm mm mm mm mm mm KN  KN   
1 113.25.500.001 367 602 398 75 566 434 20 18 16 4 498 502 65 10 60 5 74 0.5 0.2 37 52 85
114.25.500.001 368.4 6 62 45 62 85
2 113.25.560.001 427 662 458 75 626 494 20 18 16 4 558 562 65 10 60 5 86 0.5 0.2 37 52 96
114.25.560.001 428.4 6 72 45 62 96
3 113.25.630.001 494.4 732 528 75 696 564 24 18 16 4 628 632 65 10 60 6 83 0.5 0.2 45 62 110
114.25.630.001 491.2 8 62 60 83 110
4 113.25.710.001 572.4 812 608 75 776 644 24 18 16 4 708 712 65 10 60 6 96 0.5 0.2 45 62 126
114.25.710.001 571.2 8 72 60 83 122
5 113.28.800.001 635.2 922 678 82 878 722 30 22 20 6 798 802 72 10 65 8 80 0.5 0.2 65 91 186
114.28.800.001 634 10 64 81 114 186
6 113.28.900.001 739.2 1022 778 82 978 822 30 22 20 6 898 902 72 10 65 8 93 0.5 0.2 65 91 208
114.28.900.001 734 10 74 81 114 208
7 113.28.1000.001 824 1122 878 82 1078 922 36 22 20 6 998 1002 72 10 65 10 83 0.5 0.2 81 114 220
114.28.1000.001 820.8 12 69 97 136 220
8 113.28.1120.001 944 1242 998 82 1198 1042 36 22 20 6 1118 1122 72 10 65 10 95 0.5 0.2 81 114 273
114.28.1120.001 940.8 12 79 97 136 273
9 113.32.1250.001 1048.8 1390 1110 91 1337 1163 40 26 24 5 1248 1252 81 10 75 12 88 0.5 0.2 113 157 386
114.32.1250.001 1041.6 14 75 132 182 390
10 113.32.1400.001 1192.8 1540 1260 91 1487 1313 40 26 24 5 1398 1402 81 10 75 12 100 0.5 0.2 113 157 441
114.32.1400.001 1195.6 14 86 132 182 441
11 113.32.1600.001 1391.6 1740 1460 91 1687 1513 45 26 24 5 1598 1602 81 10 75 14 100 0.5 0.2 132 182 502
114.32.1600.001 1382.4 16 87 151 224 517
12 113.32.1800.001 1573.6 1940 1660 91 1887 1713 45 26 24 5 1798 1802 81 10 75 14 113 0.5 0.2 132 182 605
114.32.1800.001 1574.4 16 99 151 224 605
13 113.40.2000.001 1734.4 2178 1825 112 2110 1891 48 33 30 8 1997 2003 100 12 90 16 109 0.5 0.2 181 250 977
114.40.2000.001 1735.2 18 97 203 281 977
14 113.40.2240.001 1990.4 2418 2065 112 2350 2131 48 33 30 8 2237 2243 100 12 90 16 125 0.5 0.2 181 250 1072
114.40.2240.001 1987.2 18 111 203 281 1072
15 113.40.2500.001 2239.2 2678 2325 112 2610 2391 56 33 30 8 2497 2503 100 12 90 18 125 0.5 0.2 203 281 1211
114.40.2500.001 2228 20 112 226 313 1211
16 113.40.2800.001 2527.2 2978 2625 112 2910 2691 56 33 30 8 2797 2803 100 12 90 18 141 0.5 0.2 203 281 1396
114.40.2800.001 2528 20 127 226 313 1396
17 113.50.3150.001 2828 3376 2922 134 3286 3014 56 45 42 8 3147 3153 122 12 110 20 142 0.5 0.2 276 383 2344
114.50.3150.001 2824.8 22 129 304 421 2344