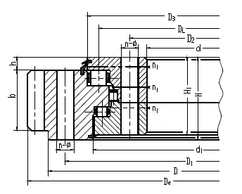
三排滚柱式回转支承
三排滚柱式回转支承由内圈、外圈、三排滚柱、隔离块(保持架)和密封装置组成。其设计独特,采用三排滚柱排列,其中两排承受轴向负载,一排承受径向负载。这样的结构分配使其具有较高的承载能力和稳定性。
联系我们
产品描述

三排滚柱式回转支承(13系列)

                           

1n1为润滑油孔数。油杯M10x1JB/T7940.1~JB/T7940.
2根据应用情况用户可指定油孔位置,n- φ可改为螺纹孔,螺纹直径 M ,螺纹深度 2M
3、表内齿轮圆周力为最大圆周力,额定圆周力取其1/2
4k”为削顶系数。
5、本样本中的规格为标准产品,内外径均为自由公差。若主机与回转支承有配合要求,请在合同或合同附件(如技术协议)中注明配合尺寸和精度。
6、表中所列为我公司常规产品,若有其他特殊要求,请与我公司联系
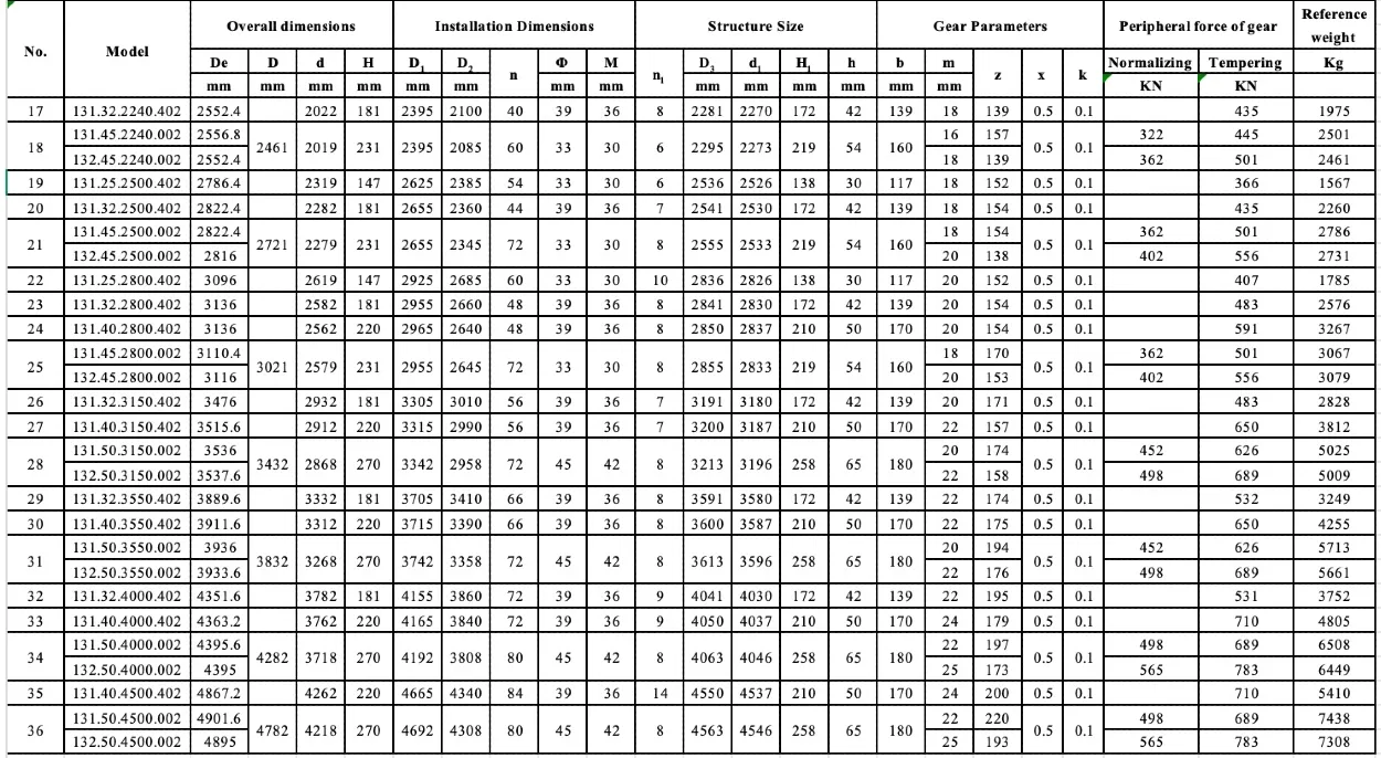
No. Model Overall dimensions Installation Dimensions Structure Size Gear Parameters Peripheral force of gear Reference weight
De D d H D1 D2 n Φ M n1 D3 d1 H1 h b m z x k Normalizing Tempering Kg
mm mm mm mm mm mm mm mm mm mm mm mm mm mm KN  KN 
1 131.25.500.002 664 634 366 148 598 402 24 18 16 4 537 526 138 32 80 5 130 0.5 0.1 50 67 200
132.25.500.002 664.8 6 108 60 80 200
2 131.25.560.002 724 694 426 148 658 462 24 18 16 4 597 586 138 32 80 5 142 0.5 0.1 50 67 224
132.25.560.002 724.8 6 118 60 80 224
3 131.25.630.002 808.8 764 496 148 728 532 28 18 16 4 667 656 138 32 80 6 132 0.5 0.1 60 80 262
132.25.630.002 806.4 8 98 80 110 257
4 131.25.710.002 886.8 844 567 148 808 612 28 18 16 4 747 736 138 32 80 6 145 0.5 0.1 60 80 295
132.25.710.002 886.4 8 108 80 110 291
5 131.32.800.002 1006.4 964 636 182 920 680 36 22 20 4 841 830 172 40 120 8 123 0.5 0.1 121 167 490
132.32.800.002 1008 10 98 151 209 487
6 131.32.900.002 1102.4 1064 736 182 1020 780 36 22 20 4 941 930 172 40 120 8 135 0.5 0.1 121 167 549
132.32.900.002 1108 10 108 151 209 562
7 131.32.1000.002 1218 1164 836 182 1120 880 40 22 20 5 1041 1030 172 40 120 10 119 0.5 0.1 151 209 631
132.32.1000.002 1221.6 12 99 181 251 631
8 131.32.1120.002 1338 1284 956 182 1240 1000 40 22 20 5 1161 1150 172 40 120 10 131 0.5 0.1 151 209 710
132.32.1120.002 1341.6 12 109 181 251 710
9 131.40.1250.002 1509.6 1445 1055 220 1393 1107 45 26 24 5 1300 1287 210 50 150 12 123 0.5 0.1 229 314 1137
132.40.1250.002 1509.2 14 105 263 366 1126
10 131.40.1400.002 1665.6 1595 1205 220 1543 1257 45 26 24 5 1450 1437 210 50 150 12 136 0.5 0.1 229 314 1299
132.40.1400.002 1663.2 14 116 263 366 1281
11 131.40.1600.002 1873.2 1795 1405 220 1743 1457 48 26 24 6 1650 1637 210 50 150 14 131 0.5 0.1 263 366 1501
132.40.1600.002 1868.8 16 114 302 417 1471
12 131.40.1800.002 2069.2 1995 1605 220 1943 1657 48 26 24 6 1850 1837 210 50 150 14 145 0.5 0.1 263 366 1682
132.40.1800.002 2076.8 16 127 302 417 1697
13 131.20.2000.402 2236.8   1853 132 2105 1905 54 26 24 5 2030 2032 123 26 106 16 137 0.5 0.1   311 912
14 131.25.2000.402 2268.8   1819 147 2125 1885 44 33 30 7 2036 2026 138 30 117 16 139 0.5 0.1   326 1216
15 131.45.2000.002 2300.8 2221 1779 231 2155 1845 60 33 30 6 2055 2033 219 54 160 16 141 0.5 0.1 322 445 2147
132.45.2000.002 2300.4 18 125 362 501 2129
16 131.25.2240.402 2516.4   2059 147 2366 2125 48 33 30 8 2276 2266 138 30 117 18 137 0.5 0.1   366 1378
17 131.32.2240.402 2552.4   2022 181 2395 2100 40 39 36 8 2281 2270 172 42 139 18 139 0.5 0.1   435 1975
18 131.45.2240.002 2556.8 2461 2019 231 2395 2085 60 33 30 6 2295 2273 219 54 160 16 157 0.5 0.1 322 445 2501
132.45.2240.002 2552.4 18 139 362 501 2461
19 131.25.2500.402 2786.4   2319 147 2625 2385 54 33 30 6 2536 2526 138 30 117 18 152 0.5 0.1   366 1567
20 131.32.2500.402 2822.4   2282 181 2655 2360 44 39 36 7 2541 2530 172 42 139 18 154 0.5 0.1   435 2260
21 131.45.2500.002 2822.4 2721 2279 231 2655 2345 72 33 30 8 2555 2533 219 54 160 18 154 0.5 0.1 362 501 2786
132.45.2500.002 2816 20 138 402 556 2731
22 131.25.2800.402 3096   2619 147 2925 2685 60 33 30 10 2836 2826 138 30 117 20 152 0.5 0.1   407 1785
23 131.32.2800.402 3136   2582 181 2955 2660 48 39 36 8 2841 2830 172 42 139 20 154 0.5 0.1   483 2576
24 131.40.2800.402 3136   2562 220 2965 2640 48 39 36 8 2850 2837 210 50 170 20 154 0.5 0.1   591 3267
25 131.45.2800.002 3110.4 3021 2579 231 2955 2645 72 33 30 8 2855 2833 219 54 160 18 170 0.5 0.1 362 501 3067
132.45.2800.002 3116 20 153 402 556 3079
26 131.32.3150.402 3476   2932 181 3305 3010 56 39 36 7 3191 3180 172 42 139 20 171 0.5 0.1   483 2828
27 131.40.3150.402 3515.6   2912 220 3315 2990 56 39 36 7 3200 3187 210 50 170 22 157 0.5 0.1   650 3812
28 131.50.3150.002 3536 3432 2868 270 3342 2958 72 45 42 8 3213 3196 258 65 180 20 174 0.5 0.1 452 626 5025
132.50.3150.002 3537.6 22 158 498 689 5009
29 131.32.3550.402 3889.6   3332 181 3705 3410 66 39 36 8 3591 3580 172 42 139 22 174 0.5 0.1   532 3249
30 131.40.3550.402 3911.6   3312 220 3715 3390 66 39 36 8 3600 3587 210 50 170 22 175 0.5 0.1   650 4255
31 131.50.3550.002 3936 3832 3268 270 3742 3358 72 45 42 8 3613 3596 258 65 180 20 194 0.5 0.1 452 626 5713
132.50.3550.002 3933.6 22 176 498 689 5661
32 131.32.4000.402 4351.6   3782 181 4155 3860 72 39 36 9 4041 4030 172 42 139 22 195 0.5 0.1   531 3752
33 131.40.4000.402 4363.2   3762 220 4165 3840 72 39 36 9 4050 4037 210 50 170 24 179 0.5 0.1   710 4805
34 131.50.4000.002 4395.6 4282 3718 270 4192 3808 80 45 42 8 4063 4046 258 65 180 22 197 0.5 0.1 498 689 6508
132.50.4000.002 4395 25 173 565 783 6449
35 131.40.4500.402 4867.2   4262 220 4665 4340 84 39 36 14 4550 4537 210 50 170 24 200 0.5 0.1   710 5410
36 131.50.4500.002 4901.6 4782 4218 270 4692 4308 80 45 42 8 4563 4546 258 65 180 22 220 0.5 0.1 498 689 7438
132.50.4500.002 4895 25 193 565 783 7308