三排滚柱式回转支承
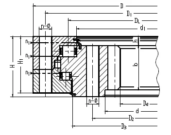
三排滚柱式回转支承由内圈、外圈、三排滚柱、隔离块(保持架)和密封装置组成。其设计独特,采用三排滚柱排列,其中两排承受轴向负载,一排承受径向负载。这样的结构分配使其具有较高的承载能力和稳定性。
联系我们
产品描述

三排滚柱式回转支承(13系列)

 

                         

1n1为润滑油孔数。油杯M10x1JB/T7940.1~JB/T7940.
2根据应用情况用户可指定油孔位置,n- φ可改为螺纹孔,螺纹直径 M ,螺纹深度 2M
3、表内齿轮圆周力为最大圆周力,额定圆周力取其1/2
4k”为削顶系数。
5、本样本中的规格为标准产品,内外径均为自由公差。若主机与回转支承有配合要求,请在合同或合同附件(如技术协议)中注明配合尺寸和精度。
6、表中所列为我公司常规产品,若有其他特殊要求,请与我公司联系